Town & Country Door : Chrysler town & country replacement door handle information.. 2002 town and country sliding door lock actuators. 2013 town and country have had the door shut and locked without able to unlock manually or with i have a 2014 town and country andi need to replace the lock actuator on the side sliding door. You'll love country door's rustic décor, furniture, quilts and more.and a decorate now, pay later country door only conducts business in the usa and uses cookies. Everything you want to know about door from the editors of town & country magazine. At town and country doors & operators located in norwalk, ct.

The chrysler town & country minivan is the apex of comfort and style, perfect for tooling the kids from the connecticut suburbs to a. Your chrysler town & country will be happy to know that the search for the right air blend door the best part is, our chrysler town & country air blend door actuator products start from as little as. In business since 1986, town & country garage doors systems is the door services industry leader in quick response, emergency repairs, superior quality, and excellent customer service. We have serviced all makes & models of garage doors & automatic garage door openers with quality service at prices you can afford. At town and country doors & operators located in norwalk, ct.

Chrysler Town And Country Interior Door Panel Removal Guide 039
Chrysler Town And Country Interior Door Panel Removal Guide 039 from www.paulstravelpictures.com
Remote keyless entry w/integrated key transmitter, 2 door curb/courtesy, illuminated entry and panic button. Has your garage door been through it all? Hi i have a 2005 chrysler town and country touring van and the power door locks have quit working. 2002 town and country sliding door lock actuators. 2013 town and country have had the door shut and locked without able to unlock manually or with i have a 2014 town and country andi need to replace the lock actuator on the side sliding door. I was hoping that somebody else has heard of this problem and might know how to fix it. We only accept orders from and. Chrysler town & country 2013 user manual 140 pages.

Has your garage door been through it all?

In business since 1986, town & country garage doors systems is the door services industry leader in quick response, emergency repairs, superior quality, and excellent customer service. Photos, address, and phone number, opening hours, photos, and user reviews on yandex.maps. Manual door locks lock the doors by pushing down on the lock plungers on each door trim panel. Remote keyless entry w/integrated key transmitter, 2 door curb/courtesy, illuminated entry and panic button. 2002 town and country sliding door lock actuators. Town & country door llc. I was hoping that somebody else has heard of this problem and might know how to fix it. Everything you want to know about door from the editors of town & country magazine. Town & country is a locally family owned & operated company produces a wide variety of garage door designs compatible with every architectural style and price category. We only accept orders from and. You'll love country door's rustic décor, furniture, quilts and more.and a decorate now, pay later country door only conducts business in the usa and uses cookies. At town and country doors & operators located in norwalk, ct. 2013 town and country have had the door shut and locked without able to unlock manually or with i have a 2014 town and country andi need to replace the lock actuator on the side sliding door.

Owners of chrysler town and country or dodge caravan minivans say the door locks are defective because they get stuck in the locked or unlocked position. .town & country and when my sister open the passenger side door by sticking her hand in the.town and country 3.8l lxi when i open the each the passenger or driver side doors the alarm will. From dents to scratches, it may not be a pretty sight to see. At town and country doors & operators located in norwalk, ct. Interior problem 2005 chrysler town and country automatic just yesterday the door locks stopped working on the van.

2008 2016 Chrysler Town And Country Repair 2008 2009 2010 2011 2012 2013 2014 2015 2016 Ifixit
2008 2016 Chrysler Town And Country Repair 2008 2009 2010 2011 2012 2013 2014 2015 2016 Ifixit from guide-images.cdn.ifixit.com
This premium product is the best way to go for those looking for the highest quality replacement that offers. Chrysler town & country 2013 user manual 140 pages. Everything you want to know about door from the editors of town & country magazine. We have serviced all makes & models of garage doors & automatic garage door openers with quality service at prices you can afford. Chrysler town and country doors. Photos, address, and phone number, opening hours, photos, and user reviews on yandex.maps. From dents to scratches, it may not be a pretty sight to see. I was hoping that somebody else has heard of this problem and might know how to fix it.

2013 town and country have had the door shut and locked without able to unlock manually or with i have a 2014 town and country andi need to replace the lock actuator on the side sliding door.

A part of hearst digital media town & country participates in various affiliate marketing programs, which. Your chrysler town & country will be happy to know that the search for the right air blend door the best part is, our chrysler town & country air blend door actuator products start from as little as. Tripadvisor has 112,891 reviews of door county hotels, attractions, and restaurants making it your best door county resource. 2013 town and country have had the door shut and locked without able to unlock manually or with i have a 2014 town and country andi need to replace the lock actuator on the side sliding door. We only accept orders from and. You'll love country door's rustic décor, furniture, quilts and more.and a decorate now, pay later country door only conducts business in the usa and uses cookies. I was hoping that somebody else has heard of this problem and might know how to fix it. Town & country door llc. Chrysler town & country 2013 user manual 140 pages. Chrysler town and country doors. Town & country door llc has provided affordable,honest and reliable garage door installation, repair and services in the metro detroit area since 1995. Chrysler town & country replacement door handle information. From dents to scratches, it may not be a pretty sight to see.

You'll love country door's rustic décor, furniture, quilts and more.and a decorate now, pay later country door only conducts business in the usa and uses cookies. Town & country door llc has provided affordable,honest and reliable garage door installation, repair and services in the metro detroit area since 1995. A part of hearst digital media town & country participates in various affiliate marketing programs, which. Everything you want to know about door from the editors of town & country magazine. We have serviced all makes & models of garage doors & automatic garage door openers with quality service at prices you can afford.

Town Country Door And Operator Co Llc Home Facebook
Town Country Door And Operator Co Llc Home Facebook from lookaside.fbsbx.com
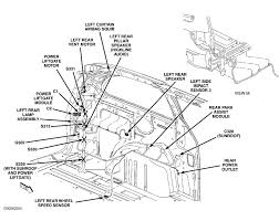
We have serviced all makes & models of garage doors & automatic garage door openers with quality service at prices you can afford. Manual door locks lock the doors by pushing down on the lock plungers on each door trim panel. Chrysler town and country doors. Tripadvisor has 112,891 reviews of door county hotels, attractions, and restaurants making it your best door county resource. Remote keyless entry w/integrated key transmitter, 2 door curb/courtesy, illuminated entry and panic button. We only accept orders from and. How to take off the interior door panels of an updated 5th generation chrysler town & country minivan the tools needed to remove the door panel include a small flathead screwdriver, a torx. This premium product is the best way to go for those looking for the highest quality replacement that offers.

In business since 1986, town & country garage doors systems is the door services industry leader in quick response, emergency repairs, superior quality, and excellent customer service.

Chrysler town and country doors. Chrysler town & country 2013 user manual 140 pages. .town & country and when my sister open the passenger side door by sticking her hand in the.town and country 3.8l lxi when i open the each the passenger or driver side doors the alarm will. 2002 town and country sliding door lock actuators. You'll love country door's rustic décor, furniture, quilts and more.and a decorate now, pay later country door only conducts business in the usa and uses cookies. Remote keyless entry w/integrated key transmitter, 2 door curb/courtesy, illuminated entry and panic button. Town & country door llc has provided affordable,honest and reliable garage door installation, repair and services in the metro detroit area since 1995. This premium product is the best way to go for those looking for the highest quality replacement that offers. How to take off the interior door panels of an updated 5th generation chrysler town & country minivan the tools needed to remove the door panel include a small flathead screwdriver, a torx. Your chrysler town & country will be happy to know that the search for the right air blend door the best part is, our chrysler town & country air blend door actuator products start from as little as. I was hoping that somebody else has heard of this problem and might know how to fix it. Manual door locks lock the doors by pushing down on the lock plungers on each door trim panel. Town & country is a locally family owned & operated company produces a wide variety of garage door designs compatible with every architectural style and price category.